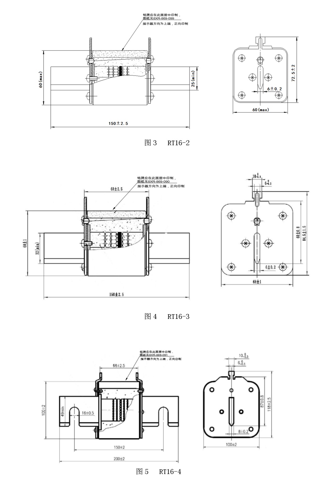
RT16-2/3/4(NT)熔断件500V/690V

RT16(NT)有填料封闭管式刀型熔断器系列产品是由 RT16(NT)熔断件和 SD 熔断器底座组成, 具有体积小、重量轻、功耗小、分断能力高的特点,广泛用于电器设备的过载和短路保护之用。

产品名称:RT16-2/3/4(NT)熔断件500V/690V


常用产品型号:

RT16-2 500V/315A    RT16-2 500V/315A    RT16-3 500V500A

RT16-2 500V/125A    RT16-2 500V/355A    RT16-3 500V/630A

RT16-2 500V/160A    RT16-2 500V/400A    RT16-3 500V/315A

RT16-2 500V/200A    RT16-2 500V/400A    RT16-3 500V/355A

RT16-2 500V/224A    RT16-2 500V/125A    RT16-3 500V/400A

RT16-2 500V/250A    RT16-2 500V/160A    RT16-3 500V/425A

RT16-2 500V/300A    RT16-2 500V/200A    RT16-3 500V500A

RT16-2 500V/315A    RT16-2 500V/224A    RT16-3 500V/630A

RT16-2 500V/355A    RT16-2 500V/250A    RT16-3 500V/630A

RT16-2 500V/400A    RT16-2 500V/300A    RT16-3 500V/315A

RT16-2 500V/125A    RT16-2 500V/315A    RT16-3 500V/355A

RT16-2 500V/160A    RT16-2 500V/355A    RT16-3 500V/400A

RT16-2 500V/200A    RT16-3 500V/315A    RT16-3 500V/425A

RT16-2 500V/224A    RT16-3 500V/355A    RT16-3 500V500A

RT16-2 500V/250A    RT16-3 500V/400A    RT16-3 480V/800A

RT16-2 500V/300A    RT16-3 500V/425A    RT16-4 400V/800A


底座配:SD2-STC SD3-SC SD4-SC


基本介绍:

RT16(NT)有填料封闭管式刀型熔断器系列产品是由 RT16(NT)熔断件和 SD 熔断器底座组成, 具有体积小、重量轻、功耗小、分断能力高的特点,广泛用于电器设备的过载和短路保护之用。

本产品符合 GB/T 13539.2、 IEC 60269-2 和 VDE 0636-2 标准,

产品满足 24 小时盐雾要求。

使用要求

周围空气温度a.-5℃ ~ 40℃,b. 周围空气温度 24h 的平均值不超过 35℃。

安装地点的海拔不超过 2000m。


大气条件:大气相对湿度在周围空气温度为 40℃时不超过 50%,在较低温度下可以有较高的相对湿度(例如:在 20℃下,相对湿度可达 90%),最湿月的月平均最大相对湿度不超过 90%,同时该月的月平均最低温度不超过 25℃,并考虑到因温度变化发生在产品表面上的凝露。


电压:系统电压的最大值不超过熔断器额定电压的 110%,对于从交流整流的直流电压,其脉动引起的变化应不大于 110%额定电压的平均值的 5%或不低于 9%。


电流:熔断器承载的电流在额定电流和分断电流的范围内。


频率:额定频率为 45-62Hz。


安装条件:

熔断器可垂直、水平或倾斜安装。

工作场所无显著震动和冲击。

安装地点空气应清洁。

注: 对在特殊工作条件下使用的熔断器有关要求,由用户与制造厂协商解决。


参数1.jpg

参数2.jpg

参数3.jpg


CONTACT US

QDCR Electric Co., Ltd (Headquarters)

Headquarters Address: 1102B, Guangfa Financial Building, No. 40 Shandong Road, Shinan District, Qingdao City

Logistics Center: 1-3 Huaqing Industrial Park, No.1 Nanchang Branch Road, North District, Qingdao

Phone:+86-532-80904500 (30 line)

Fax:+86-532-80904511

Email: sales@cr-electric.com

Website: www.cr-electric.com