Car fuse EVH 70VDC 60-500A
Basic introduction:
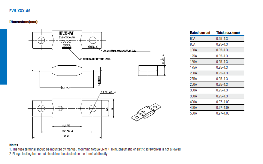
EVH fuses are used in 48V DC battery packs for electric vehicles to protect the battery system from overload and short circuit.
1、 Product indicators
2、 Product standards
3、 Certification and Environmental Protection




